top of page
このホームページは
.com
を使って作成されました。あなたも無料で作ってみませんか?
今すぐはじめる
妻はセルフビルダー
♥
千葉県九十九里に87坪220万円の土地を購入し
心豊かなセカンドライフのために
妻がメインで家をセルフビルドしている奮闘記録
ホーム
Blog
セルフビルドのきっかけ
自力での土地の造成
家の設計図
お問い合わせ
More
Use tab to navigate through the menu items.
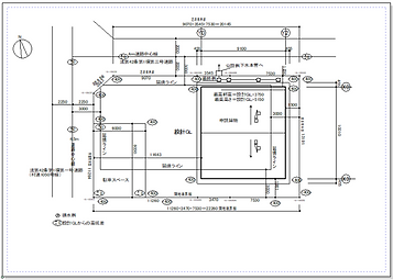
家の設計図
確認申請の図面を載せてます。
画像をクリックすると拡大できます。
1 建築物概要書・付近見取り図
3 求積図・求積表
5 平面図
7 シックハイス・換気計算表
2 土地の面積図
(不動産購入時に頂いたものを利用)
4 配置図
6 立面図・断面図
8 採光計算表
9 仕上げ表
bottom of page